CBK1 SERİSİ
Anasayfa CBK1 SERİSİ
Anasayfa CBK1 SERİSİ
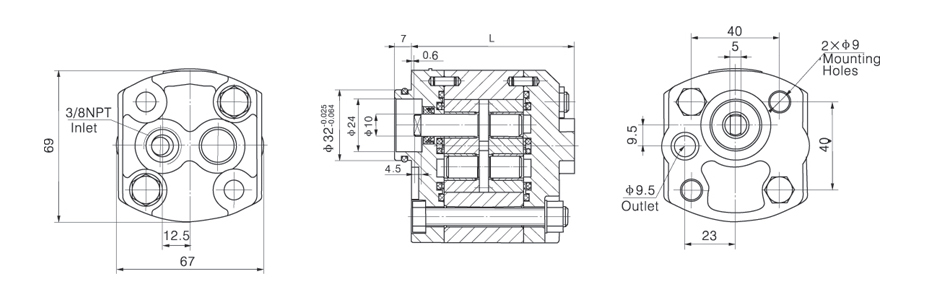
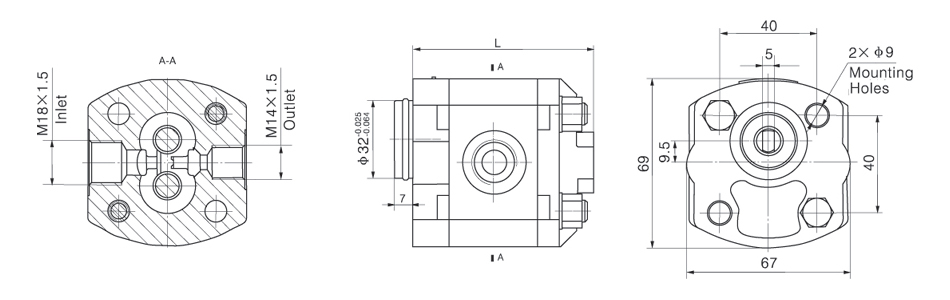
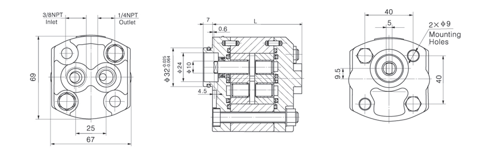
CBK1 dişli pompa, iki alüminyum yatak bloğu, bir muhafaza, ön kapak ve arka kapak tarafından desteklenen bir dişli çiftinden oluşur. Eksen boşluğu, yatak blokları tarafından otomatik olarak telafi edilebilir. CBK1 pompası, yüksek mekanizma ve hacim verimliliği, düşük gürültü seviyesi ve düşük ağırlık/güç oranına sahiptir.
Notlar: CBK1 dişli pompanın beş giriş/çıkış konumu seçeneği vardır: arkadan içeri/önden dışarı, yandan içeri/arkadan dışarı, arkadan içeri/yan dışarı, yandan içeri/yan dışarı, arkadan içeri/arkadan dışarı. Hem CW hem de CCW yön pompaları mevcuttur.









| modeli | Yer değiştirme mL/r ( 3 /r olarak) |
basınç (MPa) | Hız (RPM) | L(mm) | Yeterlik | |||
| P1 | P2 | P3 | Anma (RPM) | Maks (RPM) | ||||
| CBK1-F0.63** | 0,63 (0,038) |
20
|
25
|
28
|
2000
|
4000
|
75
|
%85 |
| CBK1-F0.8** | 0.89 (0.054) |
76
|
||||||
| CBK1-F1.2** | 1.27 (0.078) |
77.5
|
%86 | |||||
| CBK1-F1.5** | 1.487 (0.091) |
78.3
|
||||||
| CBK1-F1.6** | 1,66 (0,101) |
79
|
||||||
| CBK1-F2.0** | 2.05 (0.125) |
80.5
|
%88
|
|||||
| CBK1-F2.1** | 2,17 (0,132) |
81
|
||||||
| CBK1-F2.5** | 2.56 (0.156) |
82.5
|
||||||
| CBK1-F2.7** | 2,8 (0,171) |
83,5
|
||||||
| CBK1-F3.2** | 3,32 (0,203) |
85,5
|
%89
|
|||||
| CBK1-F3.7** | 3,8 (0,232) | 18 | 23 | 26 |
2000
|
3600
|
87.5
|
|
| CBK1-F4.2** | 4,3 (0,263) |
89.5
|
%90
|
|||||
| CB1K-F5** | 5.1 (0.311) | 14 | 18 | 23 |
1500
|
3000
|
92.5
|
|
|
CBK1-F6**
|
6,03 (0,368)
|
96
|
||||||
|
CBK1-F7**
|
8,08 (0,493)
|
10
|
14
|
18
|
104
|
|||